Descrição do Produto: Replaces 010-036-00 Trailer Hub Wheel Grease Seal 10-36 22333TB
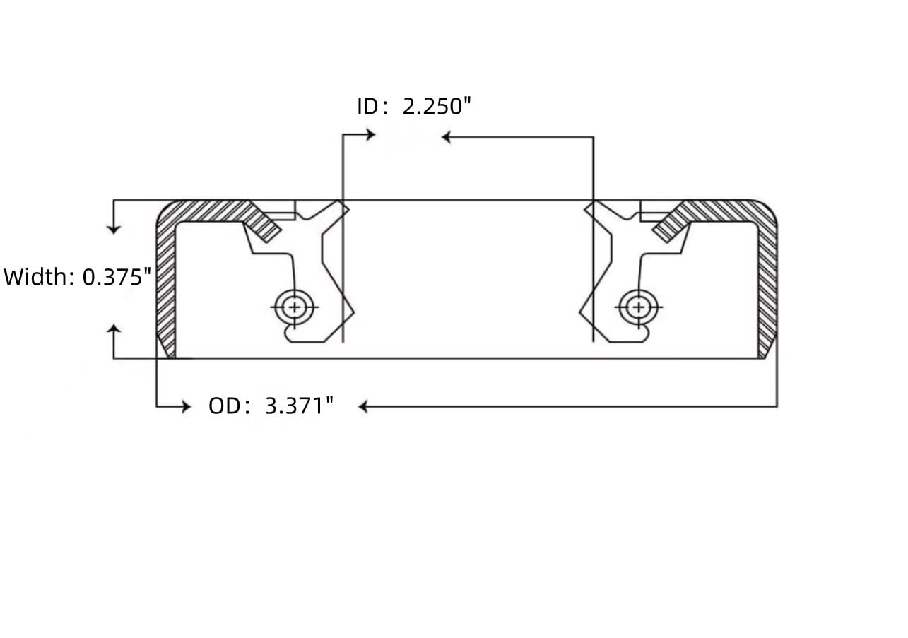
O selo de graxa para cubo de trailer Replaces 010-036-00 é a solução ideal para quem busca eficiência e durabilidade em seus eixos de trailer. Com um design robusto e especificações técnicas precisas, este produto é compatível com uma ampla gama de eixos de trailer, incluindo os modelos de 5200#, 6000#, 7000#, 7200# e 8000#. O selo possui um diâmetro interno (ID) de 2.250″, um diâmetro externo (OD) de 3.371″ e uma largura de 0.375″, garantindo um encaixe perfeito e vedação eficaz.
- Spindle D42 Double Lip
- ID: 2.250″ OD: 3.371″ Width: 0.375″
- Fits Model: 10-36/22333TB
- Used in most 5200#, 6000#, and 7000# 7200, and 8000# Trailer Axles
- Fits LCI (Lippert), ROCKWELL AMERICAN, DEXTER, ALKO, AXIS, QUALITY and AXLETEK
Este selo de graxa é projetado para se encaixar perfeitamente em cubos de trailer que utilizam o sistema E-Z Lube, proporcionando uma vedação dupla que minimiza a perda de graxa e maximiza a proteção contra a entrada de sujeira e umidade. A compatibilidade com marcas renomadas como LCI, ROCKWELL AMERICAN, DEXTER, ALKO, AXIS, QUALITY e AXLETEK torna este produto uma escolha confiável para qualquer proprietário de trailer.
Instruções de Uso:
Para instalar o selo de graxa Replaces 010-036-00, siga os passos abaixo:
1. Remova a roda do trailer e o cubo, garantindo que a área de trabalho esteja limpa.
2. Retire o selo antigo com cuidado, utilizando uma ferramenta adequada para não danificar o eixo.
3. Limpe a área do eixo onde o novo selo será instalado, removendo qualquer resíduo de graxa ou sujeira.
4. Aplique uma leve camada de graxa no novo selo para facilitar a instalação.
5. Insira o selo de graxa no cubo, certificando-se de que ele esteja alinhado corretamente.
6. Reinstale o cubo no eixo e a roda, garantindo que tudo esteja bem fixado.
Características do Produto:
– Material de Alta Qualidade: Fabricado com materiais resistentes que garantem durabilidade e resistência ao desgaste.
– Vedação Dupla: O design de lip duplo proporciona uma vedação superior, prevenindo vazamentos e contaminação.
– Compatibilidade Ampla: Adequado para uma variedade de eixos de trailer, aumentando sua versatilidade.
– Fácil Instalação: O selo é projetado para uma instalação simples e rápida, economizando tempo e esforço.
Perguntas Frequentes (FAQ):
Pergunta: Este selo é compatível com trailers de outras marcas?
Resposta: Sim, o selo de graxa Replaces 010-036-00 é compatível com marcas como LCI, ROCKWELL AMERICAN, DEXTER, ALKO, AXIS, QUALITY e AXLETEK.
Pergunta: Qual é a diferença entre este selo e outros disponíveis no mercado?
Resposta: Este selo possui um design de vedação dupla que oferece maior proteção contra vazamentos e contaminação, além de ser fabricado com materiais de alta qualidade para garantir durabilidade.
Pergunta: Como posso saber se preciso substituir o selo de graxa?
Resposta: Se você notar vazamentos de graxa ou ruídos incomuns durante a operação do trailer, é recomendável verificar e, se necessário, substituir o selo.
Pergunta: O que devo fazer se o selo não se encaixar corretamente?
Resposta: Verifique se você está utilizando o modelo correto e se a área do eixo está limpa. Se o problema persistir, consulte um profissional para assistência.
Pergunta: Este selo é adequado para uso em ambientes úmidos?
Resposta: Sim, o design de vedação dupla ajuda a proteger contra a entrada de umidade, tornando-o adequado para uso em ambientes úmidos.
Frete Grátis em todos os produtos






Avaliações
Não há avaliações ainda.